SPECTRUM AWG, D/A
CONTATTACI PER UNA CONSULENZA
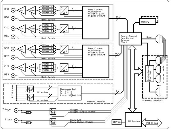
La famiglia M2i.61xx presenta 2 diverse versioni di AWG (Arbitrary Waveform Generator) su bus PCI. Queste schede permettono di generare in sincrono ‘free definable’ waveforms sui diversi canali attraverso un Syncbus interno presente su tutte le schede.
E’ anche possibile combinare tale famiglia di AWG con altre schede Spectrum quali schede di Acquisizione Analogiche o Digitali.
I dati vengono memorizzati nella memoria interna da 32MSample sestendibile fino a 2GSample. Questa memoria può essere utilizzata anche come FIFO buffer. In tale modalità il dato è trasferito direttamente nella RAM del PC o su hard disk.

SPECTRUM AWG, D/A
ultima modifica: 2012-03-30T10:15:46+00:00
da Davide Babbini
